Как правильно установить и подключить бак
В зависимости от условий в бане, схемы подключения емкости могут быть разными. К примеру, если в моечную проведен водопровод, т.е. вода будет подаваться под постоянным давлением, то нужна закрытая система водоснабжения.

На фото – пример монтажа бака в моечной
В таком случае идеальным вариантом является печь со змеевиком внутри, который подключается к баку. Можно, конечно, реализовать и другой способ – подвесить емкость на саму печь. Для этого подойдет самая простая конструкция бака на 50-120 литров, которую можно сварить самостоятельно, в таком случае цена на изделие будет формироваться исключительно стоимостью материала.
Если подключение было выполнено верно, то схема нагрева воды выглядит следующим образом – вода подогревается в регистре и по закону физики поднимается вверх. Там она постепенно остывает и вновь опускается в регистр. Таким образом, получается естественная циркуляция.
Инструкция по подключению выглядит следующим образом:
- Емкость устанавливается в парилке бани под потолками и подключается к змеевику при помощи труб.
- Для нормальной циркуляции верхний отвод бака необходимо соединить с верхним отводом змеевика, а нижний подсоединить к отводу снизу. Таким образом, отвод горячей воды происходит сверху, а холодная вода будет идти снизу.
- При входе холодной воды монтируются обратный и предохранительные клапана, последний еще называют взрывником.
- Затем задается пороговое давление согласно инструкции бака-накопителя, при котором срабатывает предохранительный клапан.
Работать данная система будет следующим образом так:
- Заполненный бак греется через змеевик и при спуске горячей воды он автоматически станет заполняться через подвод холодной.
- Если горячая вода не будет использоваться, то по мере нагревания давление в баке будет расти. При достижении критической точки сработает взрывник и выпустит давление.
Из каких материалов изготавливают баки для воды в баню
Наши предки использовали для нагрева воды в бане чугунные ёмкости. Имели они скругленное дно и подвешивались на цепях, которые крепились к потолочным балкам. Такие баки долго грелись, но зато и вода в них долго оставалась горячей и на следующий день после использования парилки, хозяйки этой водой стирали.
Чугунные баки для воды в баню
Чугун не подвержен коррозии и вода в нем остается чистой и не ржавеет, но для его нагрева требуется значительное количество тепла. Его основной недостаток – большой вес даже без воды и поднимать и опускать бак для воды из чугуна достаточно сложно. На сегодняшний день у чугунных емкостей есть еще один недостаток: их никто не производит, во всяком случае, предложений о продаже чугунных баков для воды мы не нашли.
Один из бюджетных вариантов — бак для воды в баню из стали. Есть самодельные или фабричные варианты различного объема и конфигурации. Но сталь, пусть даже и высокого качества, ржавеет и со временем приходит в негодность. Однако такой вариант, несмотря на явный недостаток, неплохой выход. Но нужно помнить, что красить такие баки нельзя, даже термостойкими красками. Краска начнет плавиться и гореть, отравляя воздух и воду, и вместо лечебной и полезной процедуры вы получите отравление.
Бак для воды для бани из стали
Частично решить проблему ржавения могут эмалированные баки для воды. Они чуть дороже, чем стальные варианты, но зато, пока эмаль целая, такие емкости не ржавеют. Их недостаток: легко можно отбить кусок эмали, что приведет к появлению в этом месте ржавчины, а со временем и течи. Проблема решается своевременной заделкой сколов. Это можно сделать термостойкой защитной эмалью, но если бак будет непосредственно контактировать с огнем, использовать краски нельзя.
В качестве эмалированного бака для воды можно использовать обычную кухонную кастрюлю большого объема. Ее ставят на верх печи, если позволяет конструкция. Это очень неплохой вариант быстро организовать себе горячую воду в бане. Если банька у вас небольшая, для помывки одного человека вполне достаточно 40 литров. Если в бане находится больше людей, можно поставить две кастрюли, или отбирать нагретую воду в другую емкость и доливать холодную воду для подогрева.
Эмалированная кастрюля емкостью 40 литров. Вполне подойдет в качестве бака для небольшой баньки
Те любители бани, которые часто парятся в гостях, наверняка видели и кастрюли из алюминия.
Алюминиевую кастрюлю емкостью 50 литров можно установить как на металлическую так и на кирпичную печку
Надо заметить, что если речь идет о самодельных металлических печах (например из трубы), то вода в ёмкости поставленной на печь, запросто может закипеть, даже если печка нагревается газом. Если парилка и мойка представляют из себя одно помещение, то мыться, при кипящей в ёмкости воде, становится испытанием
Самый надежный, и в последнее время наиболее распространенный — бак для бани из нержавейки. Нержавеющая сталь — оптимальный вариант как для горячей, так и холодной воды. Бак из нержавейки не подвержен коррозии, долговечен и эстетичен. Так как стенки баков для горячей воды имеют небольшую толщину, то и общий вес емкости относительно небольшой. Это также можно отнести к плюсам: чем меньше вес бака, тем меньше нагрузка не печь и ее фундамент.
Баки для воды для бани из нержавейки
К недостаткам бака из нержавейки можно отнести его приличную цену, ну и то, что на рынке есть много подделок, которые выдают за баки из нержавейки, и которые через некоторое время начинают ржаветь.
Выбор варианта

Схема циркуляции воды в выносной конструкции.
Можно, конечно, установить обыкновенный электрический бойлер в помывочном отделении, проведя к нему холодную воду. Но какой смысл тратить электроэнергию, когда вы все равно будете топить баню.
Для обеспечения всех моющихся горячей водичкой, необходимо установить емкость, где эта вода и будет греться. (см. также статью Купель для бани: как сделать самому)
По месту расположения бака
Бак на 80 литров установленный на трубе диаметром 115 мм.
Баки, выпускаемые нашей промышленностью, различаются по месту их будущего расположения. У них у всех есть свои преимущества и недостатки.
- выносные, их можно устанавливать в любом месте , а нагреваться вода в них будет за счет наличия теплообменника в печи, холодная вода из емкости будет опускаться в печной теплообменник, а горячая будет подниматься в бак;
- встроенные, когда днище емкости имеет прямой контакт с огнем , а сам бак нижней частью встраивается в печь, в нем делается кран, из которого можно наливать кипяток;
- баки на трубу для бани, самый идеальный вариант , так как вода в такой емкости будет долгое время горячей, даже, если уже не топится печь.
Совет. При выборе варианта бака с размещением на трубе, можно подобрать емкость достаточно большого объема, так как сам нагревающий элемент возможно использовать на всю его длину. Такая емкость может тянуться от печи бани по трубе до самого потолка, а иногда и выше, захватывая чердачное пространство.
По материалам изготовления

В конструкции данной печи предусмотрен самоварный бак на трубу дымохода, высоту расположения которого над топкой можно регулировать,изменяя скорость нагрева воды.
От того, из какого материала будет изготовлен бак для бани на трубе, зависит многое. Это и скорость нагрева воды, время сохранения воды в теплом состоянии, да и долговечность изделия.
В настоящее время емкости выпускаются из следующих материалов:
- чугун, этот материал используется издавна, вода в нем греется долго, дров уходит много, но и остывает вода в нем очень медленно, чугуну не страшна коррозия и высокие температуры, но его недостатком является очень большой вес, что затрудняет его использование;
- эмалированные, такие емкости можно использовать в качестве выносной или на трубе, в печь бани этот бак не установишь;
- из нержавеющей стали, наиболее популярный сегодня вариант, особенно при установке на трубу, у таких баков прекрасная теплопроводность, низкий коэффициент деформации от температурных перепадов, он прост в уходе и легок.

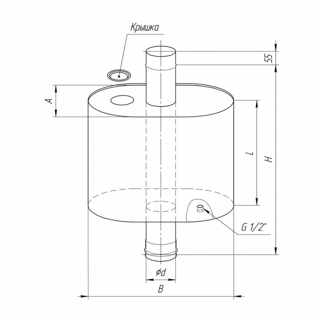
Бак для бани на трубе печки.
Считается, что достаточный литраж емкости с горячей водой для помывки в бане одного человека определяется нормой в 10 литров. Для определения, какая вам емкость необходима, предполагаемое количество людей надо умножить на 10 и получим в результате желаемый объем.
Но надо учитывать и следующие факторы:
- если печка маломощная, а объем помещения парилки велик, то в большой емкости вода не будет успевать нагреваться;
- если бак слишком мал, то вода в нем будет слишком быстро выкипать.
Так что, выбирая необходимый литраж, постарайтесь проанализировать и взвесить всю информацию и остановитесь именно на том варианте, который будет удовлетворять каждому условию.
Процесс монтажа
Наиболее доступный вариант организации автономной системы водоснабжения в доме или бане – установка емкости на чердачном помещении.
Для этого необходимо изготовить или приобрести бак для бани требуемого объема и конфигурации.
Монтаж емкости производится на верхнее балочное перекрытие или в любом удобном месте чердака.
Монтажные работы осуществляются поэтапно:
- Выполняется укрепление основания под водяной бак. Балки перекрытия накрываются широкими досками.
- На подготовленную основу устанавливается накопитель.
- Производится монтаж клапана поплавкового типа. От верхнего края отступают 7,5 см, делают отметку и вырезают отверстие требуемого диаметра. В отверстие продевается хвостовая часть клапана с уплотнительной шайбой из пластика. С противоположной стенки емкости устанавливается специальная пластина жесткости, еще одна уплотнительная шайба и накручивается гайка. Все крепежные элементы надежно фиксируются, к хвостовой части прикручивается соединитель, при помощи которого выполняется подключение водонапорной трубы.
- Проделываются отверстия для труб отвода требуемого размера. В готовые отверстия с внутренней стороны емкости вкручивается соединитель с шайбой. Укрепление резьбы выполняется специальной лентой. Далее надевается шайба, и закручивается гайка.
- В трубы отвода вставляются вентили запорного типа.
- Выполняется перелив. Для этого устанавливается отметка на 2,5 см ниже размещения крана поплавкового типа и проделывается отверстие. Переливная труба выводится в канализационную систему, закрепляется к стенкам бака при помощи соединителей по аналогичному принципу. Далее выполняется подводка труб с компрессионной фиксацией. Готовые участки трубопроводной системы монтируются к стенкам бака и деревянному основанию.
- Подсоединенный бак заполняется водой для проверки герметичности системы, а также регуляции поплавкового крана.
- Выполняется утепление емкости при помощи листового полистирола или рулонной минеральной ваты.
Вот таким простым и надежным способом можно обустроить автономную систему водоснабжения, основным элементом которой является накопительный бак для бани или дома.
Общие параметры
Теперь нужно выбрать способ подогрева воды. Это можно делать с помощью печи, либо встроенного в бак электрического тэна. Эффективность каждого способа зависит от объёмов воды, и скорости нагрева.
Также в зависимости от толщины будет менять вес и надёжность резервуара, ну и конечно же его цена. Так, для объёма в 50 литров подойдёт толщина до 1 мм, а с объёмами более 70 литров нужно будет брать материал толщиной от 1,5 мм.
Бак для воды в баню своими руками, также должен иметь необходимые входы и выходы для подключения шлангов или труб для подачи воды. Это обеспечит удобное пользование и позволит комфортно париться.
Рекомендации по монтажу и подключению выносного бака к теплообменнику
Нагретая в теплообменнике жидкость самотеком должна поступать в резервуар. Оттуда ее можно расходовать на гигиенические процедуры, после чего в бак заново заливается холодная вода, уходящая по трубопроводу в теплообменник для подогрева.
Подключение бака для воды
Теплообменник оснащен патрубками для подключения контура. Резьба на их концах облегчает монтажные работы.
Таблица. Что понадобится для подключения?
| Наименование инструментов и материалов | Иллюстрация |
|---|---|
| Болгарка | |
| Перфоратор | |
| Шуруповерт | |
| Разводной ключ | |
| Уровень | |
| Гофрированная труба | |
| Муфты | |
| Саморезы | |
| Лен | |
| Сантехническая паста | |
| Шаровые краны | |
| Тройник |
Цены на сантехническую пасту
сантехническая паста
Шаг 1. Проводятся замеры точек выхода трубопровода, после чего высверливаются отверстия под трубы горячей и холодной воды.
Сверлятся отверстия
Сделать это не всегда просто, учитывая толщину стен.
Отверстие под трубу
Шаг 2. Подвешивается выносной бак из нержавеющей стали. Для этого нужно закрутить два самореза.
Вкручиваются саморезы
Все замеры необходимо делать с использованием уровня.
Используется строительный уровень
Бак фиксируется при помощи настенного крепления.
Фиксация бака для воды
Шаг 3. Соединения труб и патрубков необходимо герметизировать. Для этого можно использовать нить Tangit Uni-Lock или герметик. Если этих материалов нет, рекомендуется воспользоваться сантехнической пастой и льном, купить которые проблем не составляет. Паста наносится на резьбу, после чего наматывается волокно (его необходимо аккуратно расправлять).
Наматывается волокно
Такое соединение отличается надежностью. После этого можно завинчивать гайки, воспользовавшись разводным ключом.
Закручиваются гайки
Нужно отметить, что некачественно выполненная герметизация приведет к протечкам воды. То же самое необходимо сделать на теплообменнике.
Важно качественно выполнить герметизацию
Шаг 4. Подключение трубопровода. Соединение теплообменника осуществляется посредством гибкой нержавеющей гофрированной трубы. Подогнать ее по размеру можно при помощи болгарки.
Для подключения используется гибкая гофрированная труба
Второй конец горячей магистрали соединяется с патрубком (верхним) теплообменника.
Второй конец горячей магистрали
Внизу контура необходимо предусмотреть колено и установить шаровый кран для слива воды перед наступлением зимы (ни в трубах, ни в теплообменнике, ни в баке жидкости в холодном помещении оставаться не должно). Этот кран должен быть расположен в самой нижней точке.
Шаровый кран
Также монтируется выход горячей воды (подводится к крану).
Слив горячей воды из бака
В результате получилась такая конструкция.
Такая конструкция получилась в итоге
Теплообменник выглядит следующим образом: к верхнему патрубку подведена труба для отвода горячей жидкости, к нижнему – для подачи холодной воды из бака.
Подключение горячей и холодной воды
Шаг 6. Осталось наполнить бак и провести пробный запуск системы.
Голосование пользователей
Какой циркуляционный насос вы выберете или посоветуете?
Вихрь ЦН-25-6
Сохраните результаты голосования, чтобы не забыть!
Чтобы увидеть результаты, вам необходимо проголосовать
Голосование пользователей
Какой бак для воды вы выберете или посоветуете?
Горизонталь
28.57
%
(
4
)
Сохраните результаты голосования, чтобы не забыть!
Чтобы увидеть результаты, вам необходимо проголосовать
Что это такое
Устройство служит для нагрева воды в бане. Его принцип работы основан на физических свойствах горячей воды, расширяющейся и поднимающейся вверх, а холодная при этом остается внизу.
Обычно теплообменник небольшого размера, поэтому жидкость в нем быстро нагревается. К нему присоединяются две трубы – снизу и сверху. Таким образом, горячая по верхнему патрубку, замещаемая снизу холодной, поднимается в бак, который может находиться как в парилке, так и в смежном помещении, как правило – в мойке. При этом вода низкой температуры по нижней трубе постоянно без принудительной подачи добавляется в устройство для нагрева.
Варианты нагрева воды в бане от печи
Выделяют следующие модели:
1. Емкость самоварного типа – устанавливается на выходной патрубок дымохода. Нагрев происходит за счет тепла уходящих в трубу дымовых газов. К штуцеру на дне бака подсоединяется кран для разбора горячей воды. Если у вас нет помывочной, то данный вариант будет отличным решением для нагрева
Мы рекомендуем обратить внимание на следующие условия эксплуатации:
- использование бака самоварного типа допускается только с печами для бань;
- запрещается эксплуатировать пустой бак во время работы печи;
- если вы хотите получить «финскую сауну» данный вариант нагрева воды вам не подойдет, так как в случае долгого разогрева парной жидкость начнет кипеть, из-за чего образуется тяжелый пар.


2. Теплообменник самоварного типа (небольшого размера с возможностью подключения к баку), который можно расположить в любом месте. Удобен тем, что при его наличии, бак можно разместить в помывочной. Из очевидных преимуществ перед остальными вариантами – быстро нагревает воду.


3. Теплообменник, который устанавливается на стартовый дымоход.
4. Стартовый дымоотвод + бак-рюкзак – вариант с нахождением в парной и отсутствием регулируемой конвекции для прогрева помещения. Емкость соприкасается со стенкой трубы дымохода, за счет чего происходит нагрев жидкости. Из недостатков также можно отметить, что данная модель не имеет защиты от жесткого инфракрасного излучения, и в случае сильного нагревания, вода начинает кипеть.
5. Дымоход-конвектор со встроенным в него нагревателем.
Особенности: регистр находится внутри трубы, из которой выходят 2 одинаковых штуцера ¾ дюйма с внутренней резьбой. С помощью патрубков устройство соединяется с баком, висящим в удобном месте.
Может быть:
- Вмонтирован в печь – при появлении накипи теряет КПД.
- Расположен возле дымохода (на нем) – медленнее обеспечивает нагрев до необходимой температуры, зато на его внутренней поверхности ничего не оседает, к нему имеется легкий доступ, и его ремонт не составляет труда.
Выбор зависит от пользователя: чему отдать предпочтение, производительности или комфорту в обслуживании, экономии полезной площади или топлива.
Монтаж самоварного бака для печи
Даже в стеснённых или сложных условиях, например, установка бака на печь со смещенной осью к передней стенке дымохода, монтаж самоварного бака не доставит трудностей.
Лично от себя рекомендую брать резервуары для воды ёмкостью в 70 литров, они весьма удобны и имеют большой запас воды.
Для того, чтобы сэкономить время можно расположить бак для воды самоварного вида на открытой каменкой, как, например, в печах «Тамань», «Каскад», «Новая Русь». Таким образом вода будет нагреваться раза в два быстрее за счёт того, что нагрев происходит сразу от двух источников тепла.
Принцип работы подобных банных печей с самоварным баком для воды следующий:
- Первым делом в топке поджигаются дрова или другое топливо, что будет выделять тепло для нагревания всей конструкции из печи с баком.
- Тепло от топлива нагревает стенки, что отдают тепло воде.
- Благодаря камням в каменке продлевается жара в самой бане. Они раскаляются, после чего испускают свой сухой жар и поддерживают комфортную температуру в вашей парилке.
В современных моделях банных печей используется принцип долгого горения топлива, из-за которого время горения закладки дров может доходить даже до суток, при этом в бане будет поддерживаться приемлемая температура.
По этому принципу процесс горения происходит не снизу вверх, как это бывает в обычных печах, а сверху вниз, что и обеспечивает столь высокую эффективность использования энергии топлива.

Рекомендую следующее видео, в котором автор рассказывает, как производить самостоятельный монтаж бака для воды самоварного типа:
Установка бака в кирпичную печь
Установить бак воды в баню в кирпичную печь нужно в процессе ее кладки. Зачастую это происходит на 10 ряду, зависит от модели печи . При выкладке ряда необходимо оставлять проем для бака, выемку. Размеры такого проема зависят от размеров самого бака, главное – они должны превышать габариты бака на несколько мм. Чтобы компенсировать все температурные расширения.
Внизу в бак врезается сантехнический кран. В данном случае – горячая вода будет набираться прямо в бане. А возможно врезать патрубок, подсоединить трубу, и вывести таким образом воду в помывочную.
Когда кладка печи доходит до верхних границ бака, укладываем на него 2 металл.полосы, которые позволят безопасно перекрыть бак кирпичом. Затем перекрываем бак и следуем порядовке печи.
Бак для горячей воды в баню – как выбрать?
Все прекрасно понимают значимость горячей воды в бане. Без нее и не помыться и на каменку не поддать. Технологичным решением будет установка бойлера для нагрева. Но зачем занимать лишнюю площадь, к примеру, в небольшой бане, если можно организовать нагрев воды в обычном баке, посредством печного отопления? И всего-то нужно правильно выбрать для этого емкость.
Для начала заметим, что все баки отличаются по форме и вместимости.
Конструктивные варианты
С размерами понятно. Теперь поговорим о способе нагрева воды. Он зависит от конструктивных особенностей емкостей и способа их расположения. Из основных вариантов выделяются следующие виды:
- классические баки, встроенные в печь;
- емкости на трубе;
- выносные баки.
Встроенные емкости
Первый вариант, считается классикой. Емкость располагается сбоку или над печкой. Отопление происходит по мере нагревания, а для слива на баке есть шаровой кран. С одной стороны, они достаточно удобны, не требуют дополнительных работ по выведению труб или обустройству мест для крепления. Но печи с такими баками, отличаются большими габаритами, и в некоторых банях, не выделяющихся размерами, их установка будет сопряжена с потерей драгоценных метров. В таких случаях, необходимо выбирать печь для бани, с баком, расположенным сверху. В таком исполнении он не будет загромождать проход.
Выносные конструкции
Такие баки чаще используются в саунах,
Из чего должен быть бак?
Конечно, самый распространенный во всех проявлениях вариант – нержавеющая сталь. Этому есть несколько неоспоримых доказательств: они не подвержены коррозии, вода в них быстрее прогревается, а за счет особых свойств металла, медленнее остывает. Нержавейка не деформируется от высоких температур, имеет небольшой вес и всегда выглядит привлекательно, дополняя оформление внутреннего пространства.
В целях экономии, многие по сей день используют металлические баки. Но они непрактичны ни с эстетической стороны, ни с практической точки зрения. И если неприглядный вид можно скрыть за кирпичной кладкой, то от ржавчины, проявляющейся с годами внутри емкости, справится невозможно. Да и постоянный нагрев, деформирует металл. И если людей, у кого такие баки стоят относительно давно, еще можно понять, то нельзя уяснить сложность мышления тех, кто ставит металлические баки в новой построенной бане. Мало того, многие даже не пытаются скрыть их перегородками, оставляя снаружи на общее обозрение.
Можно найти в продаже и чугунные баки. Толстый металл, имеющий определенную структуру, не ржавеет, но в нем долго прогревается вода, но также медленно и остывает. Чугунные баки тяжелы, на небольшую печь их лучше не ставить, а располагать сбоку.
Выбирать бак, кроме вместимости нужно и по конструктивным особенностям. Обычные нержавеющие емкости, работающие от нагрева печи, производятся, прямоугольной формы, квадратной и полукруглой. В зависимости от свободного пространства и с учетом того будет ли заливатьсяфундамент под печь и выбирается тип бака. Также, не забывайте про свободную площадь. Располагать их нужно таким образом, чтобы они не стесняли пространство. Чтобы при помывке вы не ошпарились, случайно прикоснувшись к нему.
В зимнее время, по окончании помывки, баки опустошают полностью. Замерзнув, вода разорвет любой металл. Не топите печи с пустым баком. Высокая температура, деформирует емкость, а с эмалированной поверхности отслоится вся защита.
proekt-banya.ru>
Расположение водяных резервуаров
Месторасположение бака определяет тип водопроводной разводки и оборудования, которое требуется для надежной и беспрерывной работы автономной системы.
Современная накопительная емкость для водоснабжения дома и бани имеет два варианта установки – верхнее и нижнее положение.
Верхнее
Подобная схема предусматривает установку накопительной емкости на максимально допустимой высоте – террасе, втором этаже, чердаке, на кровле или под потолком. Высота расположения пропорциональна силе напора – на каждые 10 метров добавляется по 1 бару давления.
Верхнее расположение обеспечивает лучший забор воды даже без использования насосной станции, а также простую и безопасную эксплуатацию емкости.
Нижнее
Такой способ установки накопительного резервуара предусматривает рациональное использование свободной площади. В этом случае для подачи воды в дом или баню требуется наличие насоса или насосной станции.
При нижнем размещении, при помощи насоса производится нагнетание воды в накопитель, в результате чего образуется особая воздушная прослойка. При достижении определенного уровня воды в резервуаре, воздух с максимальной силой выталкивает ее к заборным точкам.
Зачастую, для достижения оптимального давления при подаче воды, применяется погружной дренажный насос с поплавком, установленный внутри бака.
Если резервуар для воды нижнего размещения планируется использовать в зимний период, тогда он должен быть заглублен в почву на глубину ниже уровня ее промерзания.
Как построить печь с баком для воды своими руками
Независимо от того, какой бак устанавливать: покупной или самодельный, первым делом важно определиться с его объемом
Расчет объема
Расчет объема емкости, необходимой для помывки нескольких человек, ведется исходя из нормы на одного человека. Достаточным считается объем воды в 10 литров. Это теоретические расчеты.
На практике бак для бани на трубу редко устанавливают объемом меньше 50 литров. В сущности, увеличение объема емкости не несет дополнительных расходов (кроме стоимости бака), но позволяет получить больше горячей воды.
Особенности монтажа и подключения
В самостоятельном монтаже нет ничего сложного. Порядок действий не отличается от монтажа обычной сэндвич-трубы, просто здесь одно колено дымохода имеет более сложную конструкцию. На порядке работ это не сказывается.
Трубу демонтируют до проходного узла через потолок.
На выход из печи устанавливают патрубок в 8-10 см.
К патрубку подсоединяют трубу, проходящую сквозь бак.
Если диаметр труб различен, то соединение осуществляют через переходник.
Соединение закрепляют металлическими хомутами.
При монтаже важно учесть, что емкость не должна доходить до верха трубы минимум на 25 см.
Соединение с проходным узлом осуществляют сегментом печной трубы необходимой длины, если диаметры разняться, то используют переходник.
Бак оборудуют дополнительными креплениями, чтобы на них перенести основную нагрузку с трубы.
Стыки промазывают огнеупорным герметиком.
В зимний период воду необходимо сливать, иначе из строя может выйти не только бак, но и дымоход.

















![Бак для бани [печи, воды] из нержавейки: характеристики и выбор](http://lineproekt.ru/wp-content/uploads/f/c/2/fc2859a1ec4f5ca90f8dc33086bb0d72.jpeg)











